Join
Proto save
£15.51
Drill Fix DFT Bodies
Indexable Drills
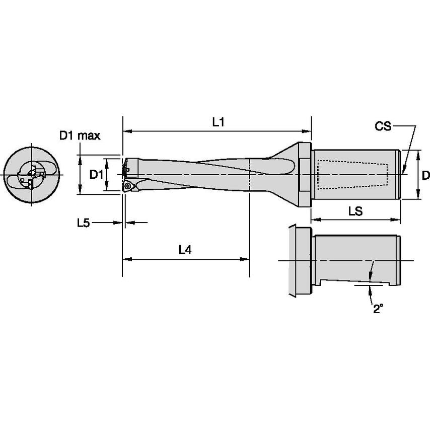
Flute Length | 106mm |
Max. Drill Depth | 88mm |
Insert Shape | W-Trigon 80 |
MFR Part No. | 1155607 |
Unit Measured | Metric |
Hand Preference | Right |
Body Material | Steel |
Clamping Type | Screw Clamping |
Adapter Type Machine Side | Cylindrical |
Gage Length | 123mm |
Coolant Supply Size | R1/4 BSP |
Payment & Security
Payment methods
Your payment information is processed securely. We do not store credit card details nor have access to your credit card information.