Join
                    
                      
                      Proto save
                    
                      £2.18
                    
                  
                  
                
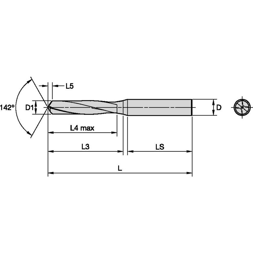
                          KMH Drills  Hard Materials  Without CoolantHigh-Performance Solid Carbide Drills
 
                        
| Material | Carbide | 
| Hand Preference | Right | 
| Drill Diameter | 5.1000mm | 
| Coolant Supplied | No | 
| Adapter Style | Straight-Cylindrical | 
| Number of Flutes | 2 | 
| Helix Type | Right Hand Helix/Flute | 
| Functional Length | 65.0700mm | 
| Overall Length | 66mm | 66.0000mm | 
| MFR Part No. | 6358981 | 
| Helix Angle | 15.000 | 
| Drill Diameter Tolerance | 0.004000 to 0.016000mm | 
| Shank Length | 36.0000mm | 
| Primary Material | Hardened Materials | 
| Adapter / Shank / Bore Diameter | 6.0000mm | 
| Drill Depth | 17mm | 17.0000mm | 
| Adapter Type | Cylindrical | 
| Finish/Coating | AlTiSiN | 
| Drill Point | 0.93mm | 
| Flute Construction | Helical Flute | 
| Assembly Length | 38.07mm | 
| Flute Length | 28mm | 28.0000mm | 
| Unit Measured | Metric | 
Payment & Security
Payment methods
Your payment information is processed securely. We do not store credit card details nor have access to your credit card information.


 
              