Join
Proto save
£7.26
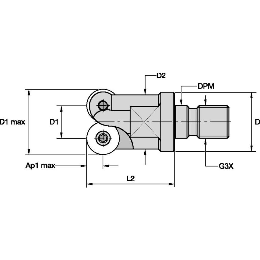
Screw-On End Mills RD.X16...KDM RD.X16...
| Insert Shape | R-Round |
| Adapter Type Machine Side | Screw-On |
| Body Material | Steel |
| Milling Application | End Mills |
| Coolant Supplied | No |
| Number of Flutes | 2 |
| Body Diameter Max | 28mm |
| Gage Length | 42.926mm |
| Maximum Cutting Diameter | 31.75mm |
| MFR Part No. | 2511467 |
| Neck Diameter | 26.5mm |
| Unit Measured | Metric |
| Center Cutting Tool | Center Cutting |
| Number of Inserts | 2 |
| Clamp Type | Screw Clamping |
| Max. Depth of Cut | 8.0000mm |
| Hand Preference | Right |
Payment & Security
Payment methods
Your payment information is processed securely. We do not store credit card details nor have access to your credit card information.

