Join
Proto save
£3.96
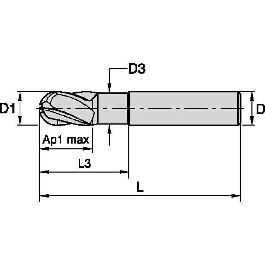
HARVI I F4AW..WL-WX Unequal Flute Spacing Extended Reach Ball NoseHigh-Performance Solid Carbide End Mills HARVI
| Number of End Mills | Single Ended |
| Max. Depth of Cut | 10.0000mm |
| Helix Angle | 38.000 |
| Hand Preference | Right |
| Unit Measured | Metric |
| Number of Flutes | 4 |
| Body Material | Carbide |
| Style | Ball Nose |
| Adapter Type Machine Side | Cylindrical |
| Adapter / Shank / Bore Diameter | 10mm |
| MFR Part No. | 4046489 |
| Milling Application | End Mills |
| Coolant Supplied | No |
| Finish/Coating | AlTiN |
| Neck Diameter | 9.5mm |
Payment & Security
Payment methods
Your payment information is processed securely. We do not store credit card details nor have access to your credit card information.

