Join
Proto save
£2.97
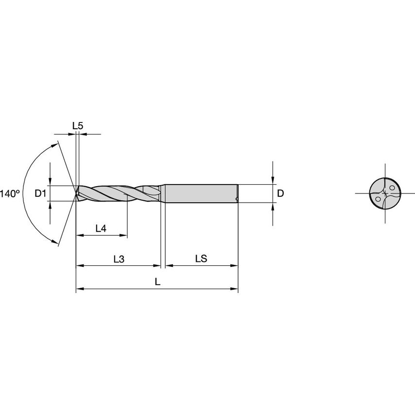
Y-TECH Drills Difficult-to-Machine Materials Through CoolantHigh-Performance Solid Carbide Drills
| Shank Length | 36.0000mm |
| Flute Construction | Helical Flute |
| Coolant Supplied | Yes |
| Helix Angle | 31.577 |
| Drill Diameter | 3.6000mm |
| Adapter / Shank / Bore Diameter | 6.0000mm |
| Coolant Diameter | 0.5600mm (0.0882in) |
| Coolant Delivery | Off-center Axial Coolant |
| Finish/Coating | AlTiN |
| Adapter Style | Straight-Cylindrical |
| Drill Depth | 14mm | 14.0000mm |
| Assembly Length | 34.3mm |
| Drill Point | 0.7mm |
| Number of Flutes | 2 |
| Primary Material | Stainless Steel |
| Material | Carbide |
| Helix Type | Right Hand Helix/Flute |
| MFR Part No. | 3759662 |
| Adapter Type | Cylindrical |
| Drill Diameter Tolerance | 0.004000 to 0.016000mm |
| Clamping Length | 36mm |
| Flute Length | 20mm | 20.0000mm |
| Unit Measured | Metric |
| Overall Length | 62mm | 62.0000mm |
| Functional Length | 61.3000mm |
| Hand Preference | Right |
Payment & Security
Payment methods
Your payment information is processed securely. We do not store credit card details nor have access to your credit card information.

