Join
Proto save
£16.50
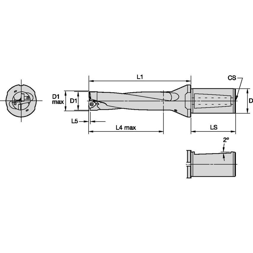
Drill Fix DFSP BodiesIndexable Drills
| Insert Shape | S-Square 90 |
| Clamping Type | Screw Clamping |
| Max. Drill Depth | 136mm |
| Flute Length | 158mm |
| Hand Preference | Right |
| MFR Part No. | 5692292 |
| Drill Point Length | 0.93mm |
| Body Material | Steel |
| Unit Measured | Metric |
| Gage Length | 176mm |
| Coolant Supply Size | R1/4 |
Payment & Security
Payment methods
Your payment information is processed securely. We do not store credit card details nor have access to your credit card information.

