Join
Proto save
£6.93
Beyond SC Deep-Hole Drills Multiple Materials Through CoolantHigh-Performance Solid Carbide Drills
Material | Carbide |
Unit Measured | Metric |
Coolant Supplied | Yes |
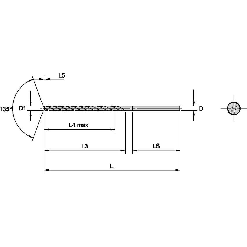
Adapter / Shank / Bore Diameter | 4.0000mm |
Clamping Length | 13.5mm |
Drill Point | 0.59mm |
Flute Length | 67mm | 67.0000mm |
Primary Material | Non-Ferrous Materials |
Drill Diameter Tolerance | -0.012000 to 0.000000mm |
Adapter Style | Straight-Cylindrical |
Overall Length | 105mm | 105.0000mm |
Helix Angle | 24.616 |
Drill Diameter | 3.1750mm |
Flute Construction | Helical Flute |
Functional Length | 104.4100mm |
Coolant Delivery | Off-center Axial Coolant |
Assembly Length | 90.91mm |
MFR Part No. | 3867716 |
Number of Flutes | 2 |
Finish/Coating | Uncoated |
Coolant Diameter | 0.4200mm (0.0165in) |
Helix Type | Right Hand Helix/Flute |
Drill Depth | 58mm | 58.0000mm |
Adapter Type | Cylindrical |
Hand Preference | Right |
Shank Length | 32.0000mm |
Payment & Security
Payment methods
Your payment information is processed securely. We do not store credit card details nor have access to your credit card information.