Join
Proto save
£10.23
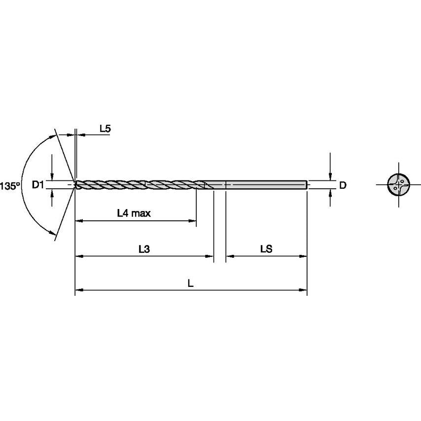
Beyond SC Deep-Hole Drills Multiple Materials Through CoolantHigh-Performance Solid Carbide Drills
Adapter Type | Cylindrical |
Flute Construction | Helical Flute |
Overall Length | 219mm | 219.0000mm |
Coolant Supplied | Yes |
Shank Length | 44.0000mm |
Coolant Diameter | 1.4400mm (0.0787in) |
Coolant Delivery | Off-center Axial Coolant |
Drill Diameter Tolerance | -0.015000 to 0.000000mm |
Drill Diameter | 9.5250mm |
Hand Preference | Right |
Drill Depth | 149mm | 149.0000mm |
Finish/Coating | Uncoated |
MFR Part No. | 3867769 |
Clamping Length | 40mm |
Number of Flutes | 2 |
Unit Measured | Metric |
Adapter / Shank / Bore Diameter | 10.0000mm |
Adapter Style | Straight-Cylindrical |
Material | Carbide |
Functional Length | 217.2400mm |
Helix Angle | 28.809 |
Flute Length | 170mm | 170.0000mm |
Drill Point | 1.76mm |
Primary Material | Non-Ferrous Materials |
Helix Type | Right Hand Helix/Flute |
Assembly Length | 180.715mm |
Payment & Security
Payment methods
Your payment information is processed securely. We do not store credit card details nor have access to your credit card information.