Join
Proto save
£27.72
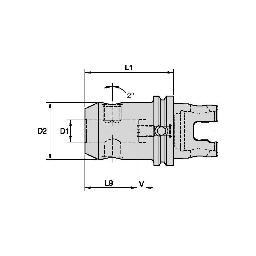
Whistle Notch AdaptersKM63XMZ Shank Tools
| Adapter Type Workpiece Side | Cylindrical Adapter |
| Front End Tool Type | End Mill Adapter |
| MFR Part No. | 2231550 |
| Unit Measured | Metric |
| Adapter Type | Taper Shank |
| Hand Preference | Neutral |
| Coolant Supplied | Yes |
| Adjustment Range | 8mm |
Payment & Security
Payment methods
Your payment information is processed securely. We do not store credit card details nor have access to your credit card information.

