Join
Proto save
£3.96
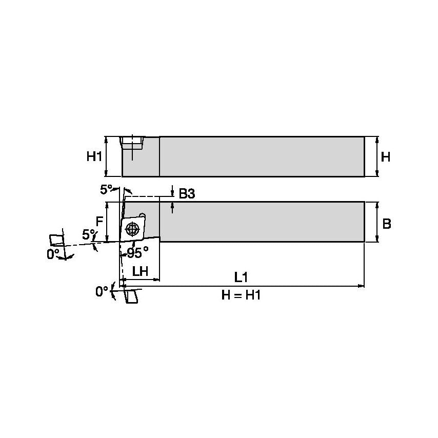
Screw-On InsertsScrew-On Toolholders
Insert Shape | C-Diamond/Rhombic 80 |
Coolant Supplied | No |
Body Material | Steel |
Clamping Type | Screw Clamping |
Unit Measured | Metric |
Hand Preference | Right |
Head Length | 11mm |
Adapter Type Machine Side | Square Shank |
MFR Part No. | 1097813 |
Payment & Security
Payment methods
Your payment information is processed securely. We do not store credit card details nor have access to your credit card information.