Join
Proto save
£19.80
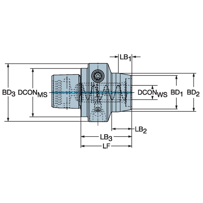
Product Range: CoroChuck 930Tool Type: Machining centresHigh-precision hydraulic chuck For milling, drilling and reaming operations where precision and high pull-out security is required Available for the most common machine interfacesWith the best pull-out security on the market, this chuck is designed to eliminate vibration for excellent stability and accessibility in all milling and drilling operations. Based on a hydraulic tool clamping system, CoroChuck 930 can be quickly tightened or released with an optimized torque wrench, improving efficiency through quick and easy set-ups and changes. No external equipment is required to clamp or unclamp the system. The chuck holds tolerances within microns to improve tool precision, surface finish and productivity. Precision run-out can be measured at <4 m (157 inch) at 2.5 DC.Features & Benefits- High-precision hydraulic chuck- For milling, drilling and reaming operations where precision and high pull-out security is required- Available for the most common machine interfaces
| CoroPak | 20.1 |
| Unit Measured | Metric |
| MFR Part No. | 7864393 |
| Connection Diameter | 32mm |
| Weight | 0.26kg |
| Rotational Speed Maximum | 10000 1/min |
| Functional Diameter | 22mm |
| Functional Length | 36mm |
| Standards Met | ISO26623-1 |
| Coolant Exit Style | 1 |
| Body Material | Steel |
Payment & Security
Payment methods
Your payment information is processed securely. We do not store credit card details nor have access to your credit card information.


